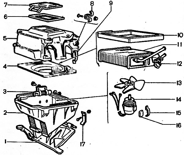
Отверните гайку прижимной скобы 8 крепления подводящей и отводящей труб, снимите скобу и выньте радиатор 11 из кожуха 5.
Снимите крышку 7 воздухопритока, отвернув гайки крепления скобы.
Отверните гайки крепления скоб 17 и снимите воздухораспределительную крышку 1 кожуха вентилятора
Собирайте отопитель в обратной последовательности, обратив внимание на правильность установки уплотнительной прокладки 10 радиатора.
Рис. 8-33. Детали отопителя: 1 - воздухораспределительная крышка; 2 - кожух вентилятора; 3 - дополнительный резистор; 4 - направляющий кожух вентилятора; 5 -кожух радиатора; 6 - прокладка; 7 - крышка воздухопритока; 8 - прижимная скоба подводящей и отводящей труб; 9 - пружинный держатель кожуха вентилятора; 10 - прокладка радиатора; 11 - радиатор; 12 - кран; 13 - крыльчатка; 14 - электродвигатель; 15 - пружинная скоба; 16 - подушка электродвигателя; 17 - скоба крепления воздухораспределительной крышки
