Разберите крышку карбюратора. Оправкой осторожно вытолкните ось 1 (см. рис. 9-11) поплавков 3 из стоек и, не повреждая язычков поплавков, снимите их.
Рис. 9-11. Детали крышки карбюратора 21073-1107010: 1 - ось поплавка; 2 - игольчатый клапан; 3 - поплавок; 4 - прокладка; 5 - диафрагма пускового устройства со штоком; 6 - пружина; 7 - регулировочный винт; 8 - крышка пусковое устройство; 9 - топливный жиклер холостого хода; 10 - электромагнитный запорный клапан; 11 - пробка; 12 - крышка карбюратора; 13 - топливный фильтр; 14 - воздушная заслонка 15 - патрубок подачи топлива; 16 - ось воздушной заслонки с рычагом; 17 - шарик фиксации рычага управления воздушной заслонкой; 18 - рычаг управления воздушной заслонкой; 19 - ось рычага; 20 - втулка крепления тяги привода воздушной заслонки
Снимите прокладку 4 крышки, выверните седло игольчатого клапана 2, выверните патрубок 15 подачи топлива и выньте топливный фильтр 13.
Выверните корпус топливного жиклера холостого хода с электромагнитным запорным клапаном 10 и выньте жиклер 9
Выверните ось 19, выньте шарик 17 с пружиной, снимите рычаг 18 управления воздушной заслонкой, отсоедините пружину рычага управления воздушной заслонкой. При необходимости выверните винты крепления воздушной заслонки, выньте заслонку 14 и ось 16.
Разберите диафрагме иное пусковое устройство, сняв крышку 8 в сборе с регулировочным винтом 7. Выньте пружину 6 и диафрагму 5 со штоком.
Разберите корпус карбюратора (рис. 9-12), для чего выполните следующие операции.
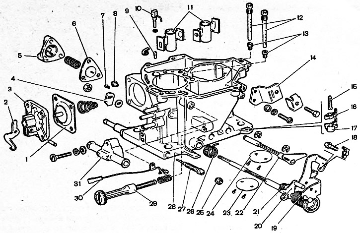
Рис. 9-12. Детали корпуса карбюратора 21073-1107010: 1 - диафрагма ускорительного насоса; 2 - рычаг привода ускорительного насоса; 3 - крышка; 4 - кулачок привода ускорительного насоса; 5 - крышка экономайзера мощностных режимов; 6 - диафрагма экономайзера; 7 - топливный жиклер экономайзера; 8 - клапан экономайзера; 9 - обратный клапан ускорительного насоса; 10 - распылитель ускорительного насоса с клапаном подачи топлива; 11 - распылители главных дозирующих систем; 12 - главные воздушные жиклеры с эмульсионными трубками; 13 - главные топливные жиклеры; 14 - кронштейн крепления оболочки тяги привода воздушной заслонки; 15 - регулировочный винт второй камеры; 16 - стопор регулировочного винта; 17 - колпачок стопора; 18 - регулировочный винт приоткрывания дроссельной заслонки первой камеры; 19 - ось дроссельной заслонки первой камеры с рычагами привода; 20 - рычаг блокировки второй камеры; 21 - пружина рычага блокировки; 22 - ось дроссельной заслонки второй камеры с рычагом, 23 - дроссельная заслонка первой камеры; 24 - дроссельная заслонка второй камеры; 25 - заглушка регулировочного винта качества (состава) смеси; 26 - возвратная пружина рычага привода дроссельной заслонки второй камеры; 27 - регулировочный винт качества (состава) смеси холостого хода; 28 - корпус карбюратора; 29 - регулировочный винт количества смеси холостого хода; 30 - электрический провод конечного выключателя экономайзера принудительного холостого хода; 31 - блок подогрева карбюратора
Снимите крышку 3 ускорительного насоса с рычагом 2 и диафрагмой 1.
Выньте распылитель 10 ускорительного насосе и распылители 11 первой и второй камер. Распылитель 10 вынимайте только за корпус распылителя.
Отверните гайку оси дроссельной заслонки первой камеры, снимите кулачок 4 привода ускорительного насоса и шайбу.
Выверните винт крепления, снимите электрический провод 30 с регулировочного винта 29 количестве смеси холостого хода и выверните винт 29. Выньте штопором пластмассовую заглушку 25 и выверните регулировочный винт 27 качества (состава) смеси холостого хода.
Снимите крышку 5 экономайзера мощностных режимов, диафрагму 6 и пружину.
Выверните топливный жиклер 7 экономайзера мощностных режимов.
Выверните главные воздушные жиклеры 12 с эмульсионными трубками и главные топливные жиклеры 13 главных дозирующих систем.
