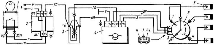
Рис. 137. Схема системы зажигания: 1 - выключатель зажигания (фрагмент); 2 - монтажный блок (фрагмент); 3 - катушка зажигания; 4 - коммутатор; 5 - датчик-распределитель зажигания; 6 - свечи зажигания
Датчик-распределитель зажигания типа (модели) 40.3706, четырехискровой, неэкранированный с вакуумным и центробежным регуляторами опережения зажигания. Имеет встроенный микроэлектронный датчик, выдающий импульсы напряжения при прохождении через его паз стального экрана с прорезями.
Коммутатор типа 36.3734 преобразует управляющие импульсы датчика в импульсы тока в первичной обмотке катушки зажигания.
Катушка зажигания типа 27.3705 — с разомкнутым магнитопроводом, маслонаполненная, герметизированная.
Свечи зажигания типа FE65P.
Помехоподавительные наконечники типа 31.3707.
Выключатель зажигания типа KZ81 (производства ВНР) или 2108-3704005 (отечественного производства) с противоугонным устройством и с блокировкой против повторного включения стартера без предварительного выключения зажигания. Часть выключателей зажигания может быть с дополнительным реле зажигания типа 111.3747.
Возможные неисправности системы зажигания, их причины и способы устранения приведены в табл. 21.
