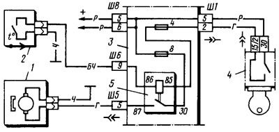
Рис. 153. Схема включения электродвигателя вентилятора системы охлаждения двигателя: 1 - электродвигатель; 2 - датчик включения электродвигателя; 3 - монтажный блок (фрагмент); 4 - выключатель зажигания (фрагмент); 5 - реле включения электродвигателя вентилятора
Вспомогательное реле 113.3747 устанавливается в монтажном блоке. Его характеристики даны в разд. «Освещение и световая сигнализация». Электродвигатели не нуждаются в обслуживании и в случае неисправности должны заменяться новыми. Краткая техническая характеристика электродвигателя:
- Номинальная частота вращения вала при нагрузке электродвигателя крыльчаткой, об/мин — 2600±200
- Потребляемая сила тока при указанной нагрузке и частоте вращения, А, не более — 14
