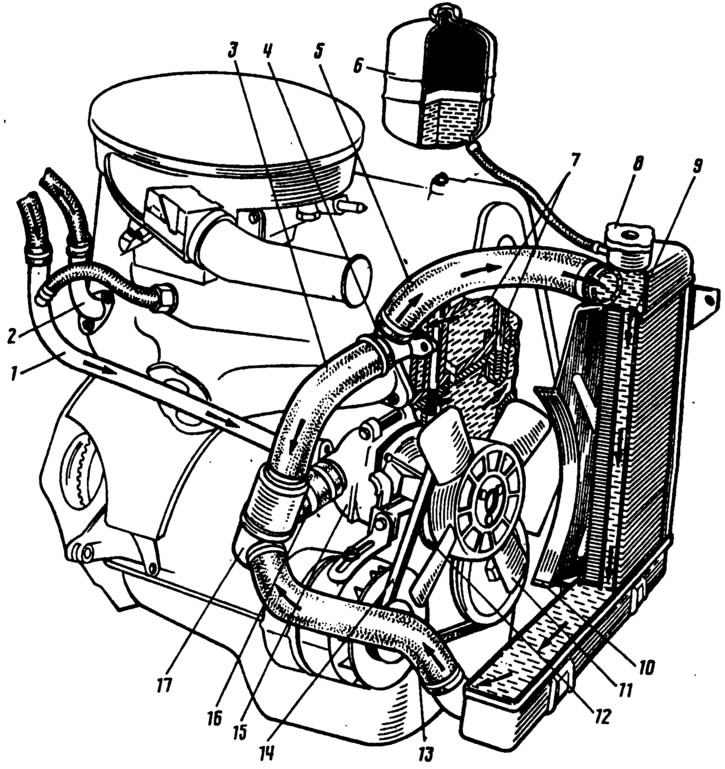
Рис. 27. Система охлаждения:
1 - трубка отвода жидкости от радиатора отопителя и рубашки подогрева впускного трубопровода; 2 - патрубок подвода жидкости в радиатор отопителя; 3 - перепускной шланг; 4 - выпускной патрубок рубашки охлаждения; 5 - подводящий шланг радиатора; 6 - расширительный бачок; 7 - рубашка охлаждения головки и блока цилиндров; 8 - пробка радиатора; 9 - трубка радиатора; 10 - кожух вентилятора; 11 - вентилятор; 12 - шкив привода насоса охлаждающей жидкости; 13 - отводящий шланг радиатора; 14 - ремень привода насоса и генератора; 15 - насос охлаждающей жидкости; 1б - шланг подачи охлаждающей жидкости в насос; 17 - термостат.
Для контроля температуры охлаждающей жидкости имеется датчик, устанавливаемый в головке цилиндров, и указатель на щитке приборов.
Насос охлаждающей жидкости. Насос центробежного типа (рис. 28) с приводом клиновидным ремнем от шкива коленчатого вала. На автомобилях ВАЗ-2105, ВАЗ-2104 и их модификациях устанавливается насос охлаждающей жидкости двигателя 2101.
Рис. 28. Насос охлаждающей жидкости:
1 - вентилятор; 2 - ступица шкива; 3 - накладка; 4 - вал 6 - стопорный винт подшипника; 7 - подшипник; 8 - сальник; 9 - крыльчатка; 10 - корпус; 11 - крышка; 12 - гайка крепления крышки насоса.
Радиатор. Радиатор устанавливается на две резиновые опоры (подушки) и крепится к передку кузова четырьмя болтами. Он состоит из верхнего и нижнего штампованных латунных бачков, двух рядов латунных трубок и луженых охлаждающих пластин. Заливная горловина закрывается пробкой и соединяется шлангом с расширительным бачком. В нижний бачок радиатора завертывается сливная пробка.
Пробка радиатора имеет впускной и выпускной клапаны, через которые радиатор соединяется шлангом с расширительным бачком. Впускной клапан не прижат к прокладке (зазор 0,5—1,1 мм) и допускает выпуск и впуск охлаждающей жидкости из расширительного бачка при нагревании и охлаждении.
С 1988 г. на двигатели автомобилей ВАЗ-2105, ВАЗ-2104 стали устанавливать радиаторы с алюминиевыми сердцевинами, изготовленными из двух рядов горизонтальных круглых алюминиевых трубок и алюминиевых охлаждающих пластин. Радиатор двухходовой с пластмассовыми бачками и патрубками для подсоединения шлангов. Один из бачков имеет перегородку. Радиатор разборный, сердцевина крепится к бачкам через уплотнительные резиновые прокладки. Для повышения эффективности охлаждения жидкости алюминиевые охлаждающие пластины штампуются с насечкой, а в часть трубок вставляются пластмассовые турбулизаторы в виде штопоров. Все это обеспечивает турбулентное движение воздуха и жидкости в трубках.
Необходимо помнить, что не рекомендуется с алюминиевыми радиаторами использование воды в системе охлаждения в качестве охлаждающей жидкости, чтобы исключить коррозию алюминиевых трубок.
