Снятие
Поднимите заднюю часть автомобиля и установите ее на подставки. Снимите задние колеса.
Отсоедините карданный вал от фланца ведущей шестерни главной передачи.
Отсоедините шланг гидропривода тормозов от стальной трубки, установленной на мосту, и примите меры, предотвращающие утечку жидкости из системы тормозов.
Отсоедините от кузова кронштейны заднего троса стояночного тормоза, снимите оттяжную пружину переднего троса и, отвернув контргайку и регулировочную гайку, освободите ветвь заднего троса. Отсоедините от кронштейна на балке моста тягу 13 (рис. 4-14) привода регулятора давления задних тормозов. Отсоедините верхние концы амортизаторов 25.
Поставьте под балку заднего моста гидравлический домкрат. Отсоедините продольные 3 и 17 и поперечную 24 штанги от кронштейнов на кузове, опустите домкрат и снимите мост.
Приступите к разборке подвески:
- снимите амортизаторы с кронштейнов на балке моста;
- отсоедините продольные и поперечную штанги от кронштейнов на балке моста.
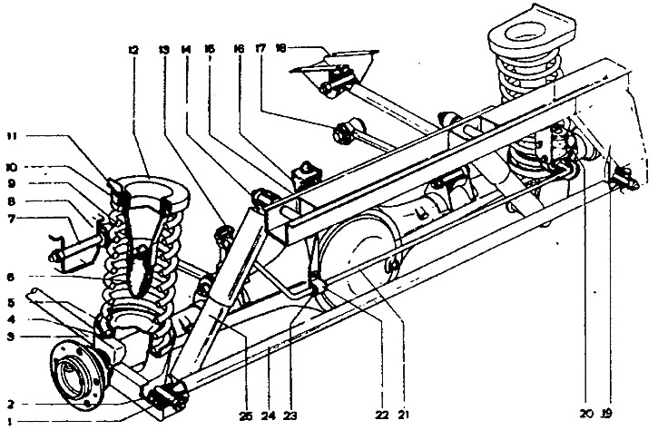
Детали задней подвески показаны на рис. 4-15.
Рис. 4-15. Детали задней подвески: 1 - нижняя продольная штанга; 2 - резиновая втулка; 3 - кронштейн; 4 - распорная втулка; 5 - верхняя продольная штанга; 6 - дополнительный буфер хода сжатия; 7 - пружина; 8 - верхняя чашка пружины; 9 - буфер хода сжатия, 10 - верхняя изолирующая прокладка пружины; 11 - амортизатор; 12 - нижняя изолирующая прокладка пружины; 13 - поперечная штанга
Установка
Установка задней подвески проводится в последовательности, обратной снятию.
При этом устанавливайте на подвеске пружины того же класса, что и в передней подвеске. В исключительных случаях, если в передней подвеске стоят пружины класса А (без маркировки), а для задней подвески таких пружин нет, допускается установка пружин класса В (с черной маркировкой). Если в передней подвеске установлены пружины класса В, то в задней подвеске устанавливаются пружины только класса В.
Чтобы исключить повреждение и чрезмерное затягивание упругих втулок шарниров штанг и амортизаторов:
- нагрузите заднюю часть автомобиля так, чтобы расстояние «X» от балки моста до лонжерона кузова, замеренное в 100 мм от кронштейна поперечной штанги (рис. 4-16), составляло 152 мм;
- затяните динамометрическим ключом гайки на болтах крепления продольных и поперечной штанг, а также на пальцах крепления амортизаторов к балке моста и к кузову.
Рис. 4-16. Схема установки задней подвески: 1 - лонжерон кузова; 2 - кронштейн поперечной штанги, 3 - балка заднего моста; X = 152 мм
