Электродвигатель омывателя, объединенный с насосом, крепится на кронштейне к панели левой боковины кузова.
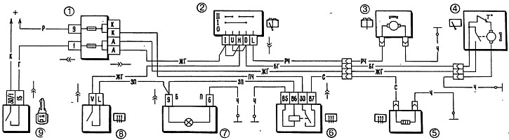
Схема соединений очистителя и омывателя заднего стекла показана на рис. 7-37. Очиститель включается клавишным переключателем 2, расположенным на панели приборов с левой стороны. При среднем положении клавиши включен только очиститель, а при полностью нажатой клавише включается еще и омыватель заднего стекла.
Рис. 7-37. Схема включения очистителя, омывателя и элемента обогрева заднего стекла:
1 - блок предохранителей; 2 - переключатель очистителя и омывателя заднего стекла; 3 - электродвигатель омывателя заднего стекла; 4 - электродвигатель очистителя заднего стекла; 5 - элемент обогрева заднего стекла; 6 - реле включения обогрева заднего стекла; 7 - контрольная лампа обогрева заднего стекла; 8 - выключатель обогрева заднего стекла; 9 - выключатель зажигания.
Конструкция моторедуктора допускает его разборку для устранения мелких неисправностей (зачистка коллектора и т.д.). Методы разборки и сборки аналогичны описанным выше для моторедуктора очистителя ветрового стекла.
У очистителя заднего стекла при нагрузке моторедуктора моментом 0,49 Н·м (0,05 кгс·м), напряжении питания 14 В и окружающей температуре (25±10)°C число двойных ходов вала моторедуктора должно быть (50±5) мин⁻¹, а потребляемая сила тока не более 2 А.
Элемент обогрева заднего стекла включается выключателем 8 с помощью вспомогательного реле 6 типа 113.3747-10, установленного под панелью приборов с левой стороны. Характеристики реле даны в подразделе «Освещение и световая сигнализация».
В прикуривателе типа 11.3725 имеется защита от длительного (свыше 30 с) включения нагревательного элемента. Защита обеспечивается легкоплавкой шайбой, закрепленной на изоляторе с задней стороны прикуривателя. При перегреве шайба расплавляется и замыкает на «массу» центральный контакт прикуривателя. В результате перегорает предохранитель № 5 в дополнительном блоке предохранителей, и прикуриватель отключается.
Чтобы восстановить работоспособность прикуривателя, необходимо устранить причину длительного включения, разобрать его, удалить остатки расплавленной шайбы и поставить новую предохранительную шайбу.
