Принцип действия генератора основан на явлении магнитной индукции. При пуске двигателя на обмотку ротора от аккумуляторной батареи подается ток, создающий магнитное поле возбуждения. При вращении ротора это магнитное поле пересекает проводники трех обмоток статора, расположенных на статоре со смещением на 120°, в результате чего в обмотках статора индуктируется переменная электродвижущая сила. Поскольку обмотки сдвинуты относительно друг друга, то и их ЭДС также сдвинуты на 120° (рис. 2.2). Таким образом, на выходе обмоток статора при вращении ротора появляется трехфазный переменный ток. Но все потребители в автомобиле работают на постоянном токе. Чтобы его получить, в генератор встроен выпрямительный блок. Выпрямительный блок содержит шесть диодов — три «положительных» (1,2,3) и три «отрицательных» (4,5,6). Ток, поступающий к потребителю RH (например, к лампам фар), проходит в каждый момент времени только через два диода (через один «положительный» и один «отрицательный»). Действительно, в течение промежутка времени 0—t1 (рис. 2.2, а) наибольшее значение напряжения индуктируется в обмотке 1, а наименьшее — в обмотке 2. В результате ток нагрузки идет по цепи, показанной на рис. 2.2, а черным цветом: обмотка 1 генератора, диод 1 («положительный»), нагрузка диод 5 («отрицательный»), обмотка 2. Таким образом, в промежутке 0—t1 работают диоды 1 и 5. В следующий промежуток времени t1—t2 наибольшее значение напряжения индуктируется в обмотке 3, а наименьшее — в обмотке 2. Теперь ток нагрузки (обозначен белым цветом) проходит по цепи: обмотка 3, диод 3, нагрузка RН, диод 5, обмотка 2 (рис. 2.2, а). В этом промежутке времени работают диоды 3 и 5. Эти же диоды работают в промежутке времени t2—t4 (рис. 2,2, б). В промежутках времени t3—t4 и t4—t6 (рис. 2.2, б, в) работают диоды 3 и 4, а в промежутке t4 —t6 (рис. 2.2,в) диоды 2 и 4. Аналогичным образом происходит чередование работы диодов выпрямительного блока и при дальнейшем изменении напряжений в обмотках статора генератора. Но какие бы пары диодов выпрямителя ни работали, направление тока нагрузки остается неизменным, т. е. с выхода генератора на потребители поступает постоянный ток.
Рис. 2.2. Принцип действия выпрямительного блока генератора
Генератор 37.3701 представляет собой трехфазную электрическую машину переменного тока с электромагнитным возбуждением и встроенным кремниевым выпрямителем. Размещение генератора на автомобиле показано на рис. 2.3. Конструкция генератора содержит следующие основные элементы (рис. 2.4): неподвижный статор 27, вращающийся ротор, крышку 4 со стороны контактных колец, интегральный регулятор напряжения 17 с щеткодержателем, выпрямительный блок 6, крышку 28 со стороны привода и шкив вентилятора. Статор набран из отдельных пластин, соединенных в пакет, и имеет 36 пазов, в которые заложены трехфазные обмотки 26, соединенные в звезду.
Рис. 2.3. Размещение источников тока и стартера на автомобиле: 1 - генератор; 2 - аккумуляторная батарея; 3 - стартер
Рис. 2.4. Генератор 37.3701 : 1 - поджимная втулка; 2 - втулка; 3 - буферная втулка; 4 - передняя крышка (со стороны контактных колец); 5 - винт крепления выпрямительного блока; 6 - выпрямительный блок; 7 - вентиль выпрямительного блока; 8 - конденсатор; 9 - задний подшипник вала ротора; 10 - контактные кольца; 11 - вал ротора; 12 - щетка, соединенная с выводом «В» регулятора напряжения; 13 - вывод «30» для подключения потребителей; 14 - вывод «61» генератора; 15 - щетка, соединенная с выводом «Ш» регулятора напряжения; 16 - вывод «В» регулятора напряжения; 17 - регулятор напряжения; 18 - шпилька крепления генератора к натяжной планке; 19 - крыльчатка; 20 - шкив; 21 - пластины крепления подшипника; 22 - упорное кольцо; 23 - передний подшипник вала ротора; 24 - обмотка ротора; 25 - полюсный наконечник ротора; 26 - обмотка статора; 27 - статор; 28 - задняя крышка (со стороны привода)
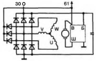
Ротор генератора состоит из обмотки возбуждения 24, намотанной на отдельную втулку. К торцам втулки примыкают два когтеобразных полюсных наконечника 25, образующих двенадцатиполюсную магнитную систему. Концы обмотки возбуждения припаяны к двум контактным кольцам. Втулка, полюсные наконечники и контактные кольца напрессованы на вал 11. В алюминиевой крышке 4 со стороны контактных колец установлены регулятор напряжения 17 с щеткодержателем и выпрямительный блок 6, содержащий шесть диодов — три «положительных» и три «отрицательных». Крышка со стороны привода также изготовлена из алюминия. В обеих крышках имеются вентиляционные окна и лапы для крепления на двигателе. Шкив и вентилятор устанавливаются на вал генератора на шпонке и закрепляются гайкой с пружиной. Электрическая схема генератора приведена на рис 2.5.
Рис. 2.5. Электрическая схема генератора 37.3701
