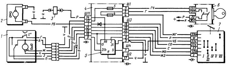
Рис. 150. Схема включения очистителя и омывателя ветрового стекла: 1 - электродвигатель очистителя; 2 - электродвигатель омывателя; 3 - электромагнитный клапан включения омывателя Beiposoro стекла; 4 - монтажный блок (фрагмент); 5 - реле очистителя; 6 - выключатель зажигания; 7 - переключатель очистителей и омывателя стекол
Электродвигатель очистителя — с возбуждением от постоянных магнитов, трехщеточный, с двумя скоростями вращения. Малая скорость вращения обеспечивается подачей напряжения на оппозитно расположенные щетки, а большая скорость — подачей напряжения на щетку, смещенную с оси симметрии электродвигателя. Для защиты электродвигателя от перегрузок при примерзании щеток к стеклу или большом сопротивлении их движению в очиститель устанавливается термобиметаллический предохранитель. У моторедукторов производства ВНР предохранитель установлен под крышкой редуктора на панели концевого выключателя, а у отечественных моторедукторов предохранитель вынесен на кронштейн привода очистителя.
Прерывистый режим работы очистителя обеспечивается электронным реле типа 52.3747, установленным в монтажном блоке. Это реле включает также очиститель (малую скорость) при включении омывателя ветрового стекла. Краткая техническая характеристика очистителя:
Частота вращения вала моторедуктора при напряжении питания 14 В, моменте нагрузки 0,15 кгс·м и температуре окружающей среды (25±10)°C, об/мин:
- на малой скорости — 30-40
- на большой скорости — 55-70
Потребляемая сила тока при моменте нагрузки 0,15 кгс·м, А, не более:
- на малой скорости — 3,5
- на большой скорости — 5
Примечание. Часть редукторов может иметь большую частоту вращения.
Возможные неисправности очистителя ветрового стекла, их причины и способы устранения приведены в табл. 25.
