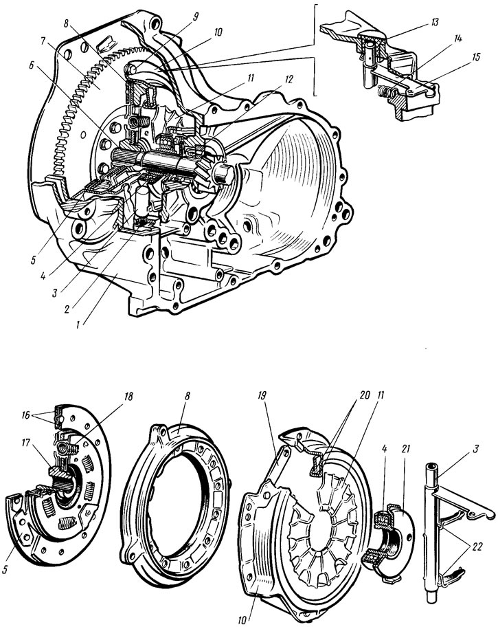
Рис. 57. Сцепление в сборе: 1 - картер сцепления; 2 - опорная втулка вала вилки выключения сцепления; 3 - вилка выключения сцепления; 4 - подшипник выключения сцепления; 5 - ведомый диск; 6 - первичный вал коробки передач; 7 - маховик; 8 нажимной диск; .9 - болт крепления сцепления к маховику; 10 - кожух сцепления; 11 - нажимная пружина; 12 - подшипник первичного вала; 13 - втулка вала вилки выключения сцепления; 14 оттяжная пружина рычага вилки выключения сцепления; 15 - рычаг вилки выключения сцепления; 16 - фрикционные накладки; 17 - ступица ведомого диска; 18 - пружина демпфера; 19 - пластина, соединяющая кожух сцепления с нажимным диском; 20 - опорные кольца нажимной пружины; 21 - муфта подшипника выключения сцепления; 22 - соединительная пружина вилки и муфты подшипника выключения сцепления
Привод выключения сцепления механический с пружинным усилителем (сервомеханизмом). Педали сцепления и тормоза подвешены на общей оси к кронштейну 11 (рис. 58). К педали 13 сцепления приварен рычаг 14 усилителя, который шарнирно соединяется с толкателем 16. Конец толкателя закреплен скобой 15. На конце толкателя между опорной шайбой и опорой 18 установлена предварительно сжатая пружина 17. Опора 18 упирается в гнездо кронштейна, приваренного к кронштейну педалей. Верхняя часть педали соединяется с серьгой 12 троса привода сцепления. Нижний наконечник 6 оболочки 7 троса зажат в гнезде кронштейна 3 двумя регулировочными гайками 5 с шайбами 4. На нижнем конце троса крепится поводок 1, который пальцем соединяется с рычагом 19 вилки выключения сцепления. Нижний конец троса закрыт чехлом 2. Верхний наконечник 8 оболочки троса 10 расположен в резиновом буфере 9, который торцом упирается в гнездо передка кузова.
Рис. 58. Привод сцепления
Для снижения уровня шума в автомобиле в приводе сцепления используются резиновые детали, не допускающие вибрации деталей. В то же время они обеспечивают эластичность привода сцепления. Поэтому по усилию на педали иногда трудно уловить конец ее свободного хода. Вследствие этого свободный ход проверяют на рычаге 19 вилки выключения сцепления.
Возможные неисправности сцепления и его привода, их причины и методы устранения приведены в табл. 5.
