На зубьях шестерен привода масляного насоса и распределителя зажигания не допускаются выкрашивания, при таком дефекте замените шестерни и валик новыми.
Втулки валика привода масляного насоса
Проверьте внутренний диаметр втулок, их запрессовку в гнездах, а также совпадение смазочного отверстия в передней втулке с каналом в блоке цилиндров (проворачивание втулки). Внутренняя поверхность должна быть гладкой и без задиров.
Измерив диаметры валика и втулок, определите зазоры между втулками и опорными поверхностями валика. Если зазор превышает 0,15 мм (предельный износ), а также при повреждении поверхностей втулок или ослабление их запрессовки, замените втулки новыми.
При замене пользуйтесь как для снятия, так и для установки оправкой А.60333/1/2 (рис. 2-73), соблюдая следующее:
- втулки должны быть запрессованы в гнезда, при этом отверстие для масла в передней втулке должно находиться против канала в блоке цилиндров;
- после запрессовки втулки должны быть окончательно обработаны и доведены по внутреннему диаметру (размеры даны на рис. 2-68). Чтобы обеспечить полную соосность втулок валика, для их доводки применяется развертка А.90353, которой одновременно обрабатываются обе втулки.

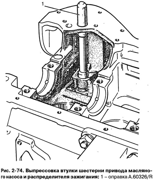
Втулка шестерни привода масляного насоса
Проверьте запрессовку втулки. Внутренняя поверхность должна быть гладкой и без задиров, в противном случае втулку замените.
Для выпрессовки и запрессовки втулки пользуйтесь оправкой A.60326/R (рис. 2-74).

После запрессовки втулку обработайте разверткой до 16,016-16,037 мм.
