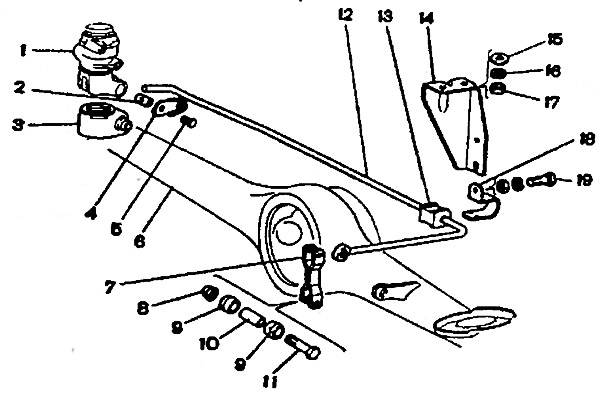
Рис. 6-22. Детали привода регулятора давления: 1 - регулятор давления; 2 - ось рычага привода регулятора; 3 - грязезащитный колпачок; 4 - стопорная пластина; 5 - болт с пружинной шайбой; 6 - балка заднего моста; 7 - тяга соединения рычага привода регулятора давления с кронштейном заднего моста; 8 - гайка болта 11; 9 - пластмассовая втулка; 10 - распорная втулка; 11 - болт крепления тяги; 12 - рычаг привода регулятора давления; 13 - опорная втулка рычага привода; 14 - кронштейн опорной втулки; 15 - шайба, 16 - пружинная шайба;. 17 - гайка, 18 - обойма опорной втулки; 19 - болт крепления обоймы к кронштейну
Отсоедините от кузова детали подвески глушителей и отведите трубопровод с глушителями в сторону.
Отвернув болты крепления регулятора к кронштейну и кронштейна к кузову, снимите кронштейн регулятора, а затем, опустив регулятор вниз, отсоедините от него трубопроводы.
Снимите регулятор и отсоедините от него рычаг привода. Заглушите входные и выходные отверстия регулятора давления и трубопроводов.
Установку регулятора давления проводите в последовательности, обратной снятию. Перед затягиванием болтов крепления регулятора установите на конце рычага привода регулятора приспособление 67.7820.9519 (см. рис. 6-7). Стержень приспособления направьте вверх до упора в кузов. Этим самым устанавливается расстояние 150±5 мм (см. «Регулировка положения регулятора давления») между концом рычага 2 и лонжероном кузова
Приподнимите защитный колпачок 3 (рис. 6-22) и, поворачивая регулятор на болтах крепления, добейтесь, чтобы конец рычага оказался в легком соприкосновении с поршнем регулятора.
Удерживая регулятор в этом положении, затяните до отказа болты его крепления, затем покройте слоем смазки ДТ-1 или Дитор ось 2 и выступающую часть поршня. Установите на место резиновый колпачок 3, заложив в него 5-6 г этой же смазки.
Снимите приспособление 67.7820.9519 и соедините конец рычага с тягой 7, предварительно покрыв смазкой ДТ-1 или Дитор втулки шарнирного соединения тяги с рычагом.
Прикрепите к кузову трубопроводы системы выпуска газов.
Прокачайте тормоза для удаления воздуха из привода задних тормозов.
