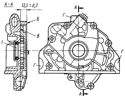
Алюминиевая крышка в плоскости прилегания шестерен не должна иметь уступов. Поверхность должна быть плоской. При заметных износах зажимают крышку в точках Г (рис. 47) и фрезеруют поверхности Б и В до размера (13,5±0,3) мм. Максимальный съем металла не должен превышать 0,2 мм. Сальник 1 коленчатого вала заменяют новым. При запрессовке сальника усилие прикладывают как можно ближе к наружному диаметру сальника.
Рис. 47. Точки крепления и плоскости фрезерования крышки масляного насоса
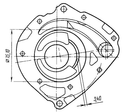
Рабочие поверхности корпуса не должны иметь царапин. Предельный наружный диаметр под ведомую шестерню не должен превышать 0 75,10 мм (рис. 48). Предельная минимальная ширина сегмента должна быть не менее 3,40 мм. При больших износах корпус насоса заменяют новым.
Рис. 48. Предельные износы корпуса масляного насоса
Замеряют индикатором максимальные осевые зазоры, которые не должны превышать для ведущей шестерни 0,12 мм; для ведомой 0,15 мм.
Предельные минимальные размеры шестерен показаны на рис. 49. Если зазоры и размеры выходят за предельные значения, шестерни заменяют новыми.
Рис. 49. Предельные износы шестерен масляного насоса
Проверяют также, не уменьшилась ли упругость пружины редукционного клапана, сравнивая полученные данные с требуемыми:
- Длина пружины в свободном состоянии, мм — 46,5
- Длина пружины под нагрузкой (5,284±0,306) кгс, мм — 31,7
Предельные диаметры должны быть: клапана — не менее 11,98 мм; отверстия под клапан - не более 12,03 мм.
