Проверка блока управления
Исправный блок 5 (рис. 7-41) управления должен отключать клапан 6 при увеличении частоты вращения коленчатого вала до 2100 мин⁻¹ и включать клапан при снижении частоты вращения до 1900 мин⁻¹, если концевой выключатель карбюратора замкнут на «массу».
Рис. 7-41. Схема соединений системы управления электромагнитным клапаном карбюратора:
1 - выключатель зажигания; 2 - реле зажигания; 3 - катушка зажигания; 4 - блок управления; 5 - электромагнитный клапан; 6 - концевой выключатель карбюратора.
Перед проверкой работоспособности блока убедитесь в правильности подключения к нему проводов.
Работоспособность блока управления проверяется с помощью вольтметра (с пределами измерения 0-15 В) в следующем порядке:
- отсоедините зеленый провод от концевого выключателя карбюратора и соедините наконечник этого провода с «массой»;
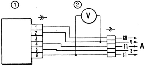
- подключите к блоку управления вольтметр с помощью специального переходного разъема 2 (рис. 7-42);
- запустите двигатель и, постепенно увеличивая частоту вращения, следите за показаниями вольтметра: после запуска двигателя вольтметр должен показывать напряжение не менее 10 В, а в момент отключения клапана - скачкообразное снижение напряжения до величины не более 0,5 В;
- после отключения клапана постепенно снижайте частоту вращения до включения клапана: вольтметр должен показать при этом скачкообразное увеличение напряжения не менее чем до 10 В;
- установите частоту вращения коленчатого вала в пределах 2200-2300 мин⁻¹, отсоедините от «массы» наконечник провода, идущего к концевому выключателю карбюратора, а затем снова соедините его с «массой»; при отсоединении провода от «массы» клапан должен включаться, а при соединении с «массой» - отключаться.
Рис. 7-42. Схема проверки блока управления:
1 - блок управления; 2 - переходной разъем с вольтметром;
А - к жгуту проводов автомобиля.
Примечание. Допускается проверять блок без вольтметра по характерному стуку клапана при отключении и включении.
