Рис. 226. Генератор Г-222:
1 - регулятор напряжения; 2 - крышка со стороны контактных колец; 3 - ротор; 4 - крышка со стороны привода; 5 - шкив с вентилятором; 6 - штекер нулевого провода; 7 - шпилька крепления генератора к натяжной планке; 8 - вывод «30» генератора; 9 - кожух регулятора напряжения; 10 - вывод «15» генератора (вывод «Б» регулятора напряжения); 11 - конденсатор; 12 - стяжной болт; 13 - статор; 14 - втулка; 15 - буферная втулка; 16 - поджимная втулка; 17 - выпрямительный блок; 18 - контактные кольца; 19 - резиновое кольцо; 20 - щеткодержатель.
Ротор состоит из вала, на который напрессованы стальная втулка и два стальных клювообразных полюса, образующие магнитную систему. На стальной втулке между клювообразными полюсами в пластмассовом каркасе находится обмотка ротора, называемая обмоткой возбуждения. Концы ее присоединены к контактным кольцам 18, установленным на пластмассовой колодке, напрессованной на вал ротора. Ток к обмотке возбуждения подводится через щетки, прижатые пружинами к контактным кольцам.
Статор 13 набран из пластин электротехнической стали, соединенных электросваркой. Во внутренние пазы статора уложены три фазные обмотки, соединенные в звезду с штекером 6 нулевого провода. К нему до 1985 г. подключалось реле контрольной лампы заряда аккумуляторной батареи. Переменное напряжение, индуктированное в обмотке статора, преобразуется в постоянное выпрямительным блоком 17, собранным на шести кремниевых вентилях типа ВА-20 по трехфазной мостовой схеме. Микроэлектронный регулятор 1 напряжения объединен в одном узле со щеткодержателем 20.
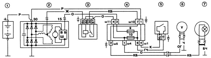
На рис. 227 показана схема соединений генератора, имеющая контрольную лампу заряда, применявшуюся до 1985 г. С 1985 г. реле 3, контрольная лампа 7 и соответствующие провода не устанавливаются, так как одного вольтметра 6 вполне достаточно для контроля напряжения генератора.
Рис. 227. Схема соединений генератора Г-222 на автомобиле ВАЗ-2105:
1 - аккумуляторная батарея; 2 - генератор; 3 - реле контрольной лампы заряда аккумуляторной батареи; 4 - монтажный блок; 5 - выключатель зажигания; 6 - вольтметр; 7 - контрольная лампа заряда аккумуляторной батареи, расположенная в комбинации приборов.
С 1988 г. на части автомобилей может быть установлен генератор типа 37.3701. Он отличается от генератора Г-222 в основном обмотками ротора и статора, регулятором напряжения и введением трех дополнительных диодов в выпрямительном блоке для питания обмотки возбуждения и для работы контрольной лампы заряда.
