Снять крышку 6 (см. рис. 42) воздушного фильтра и фильтрующий элемент. Отвернуть гайки крепления корпуса 4 фильтра к карбюратору. Снять корпус в сборе с терморегулятором 3, отсоединить гофрированный шланг 2 и вытяжной шланг вентиляции картера, ослабив предварительно хомуты крепления.
Снятие карбюратора
Отсоединить от сектора 15 (см. рис. 51) привода дроссельных заслонок трос и возвратную пружину 17, а также отсоединить от карбюратора тягу 14, оболочку 10 тяги привода воздушной заслонки. Вывернуть винт крепления и снять блок подогрева карбюратора. Отсоединить от карбюратора электрические провода конечного выключателя и электромагнитного запорного клапана, а также шланги отбора разрежения и вентиляции картера двигателя. Отвернуть гайки крепления карбюратора, снять карбюратор, тепловой экран, теплоизолирующую проставку и закрыть заглушкой выходное отверстие впускного трубопровода.
Разборка карбюратора
Вывернуть винты крепления крышки карбюратора и осторожно снять ее, чтобы не повредить прокладку, поплавок, трубки эконостата и переходной системы второй камеры.
Разобрать крышку карбюратора, для чего оправкой осторожно вытолкнуть ось 1 (рис. 52) поплавка 3 из стоек и, не повреждая язычков поплавка, снять его. Снять прокладку 4 крышки, вывернуть седло игольчатого клапана 2, отвернуть патрубок 11 подачи топлива и вынуть топливный фильтр 12. Вывернуть корпус топливного жиклера холостого хода с электромагнитным запорным клапаном 10 и вынуть жиклер 9. Вывернуть ось 19, вынуть шарик 17 с пружиной, снять рычаг 18 управления воздушной заслонкой, отсоединить пружину рычага управления воздушной заслонкой. При необходимости вывернуть винты крепления воздушной заслонки, вынуть заслонку 15 и ось 16.
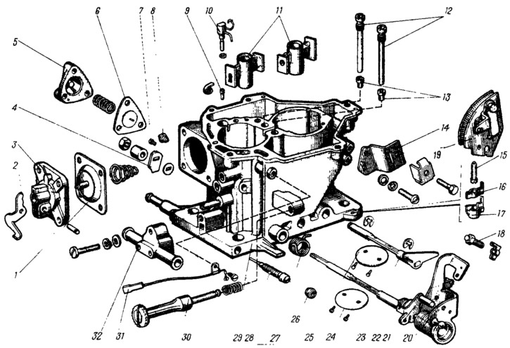
Рис. 52. Детали крышки карбюратора:
1 - ось поплавка; 2 - игольчатый клапан; 3 - поплавок; 4 - прокладка; 5 - диафрагма пускового устройства со штоком, 6 - пружина; 7 - регулировочный винт; 8 - крышка пускового устройства; 9 - топливный жиклер холостого хода; 10 - электромагнитный кланам; 11 - патрубок подачи топлива в карбюратор; 12 - топливный фильтр; 13 - патрубок слива топлива; 14 - крышка карбюратора; 15 - воздушная заслонка; 16 - ось воздушной заслонки с рычагом; 17 - шарик фиксации рычага управления воздушной заслонкой; 18 - рычаг управления воздушной заслонкой; 19 - ось рычага; 20 - втулка крепления тяги привода воздушной заслонки.
Разобрать диафрагменное пусковое устройство, сняв крышку 8 в сборе с регулировочным винтом 7. Вынуть пружину 6 и диафрагму 5 со штоком.
Разобрать корпус карбюратора (рис. 53), для чего снять крышку 3 ускорительного насоса с рычагом 2 и диафрагму 1. Вынуть распылители 10 ускорительного насоса и распылители 11 первой и второй камер главных дозирующих систем. Распылители ускорительного насоса вынимать только за корпус. Отвернуть гайку оси дроссельной заслонки первой камеры, снять кулачок 4 привода ускорительного насоса и шайбу. Вывернуть винт крепления, снять электрический провод с регулировочного винта 30 количества смеси холостого хода и вывернуть винт 30. Вынуть штопором пластмассовую заглушку 26 и вывернуть регулировочный винт 28 качества (состава) смеси холостого хода. Снять крышку 5 экономайзера мощностных режимов, диафрагму 6 и пружину. Вывернуть топливный жиклер 7 экономайзера мощносгных режимов. Вывернуть главные воздушные жиклеры 12 с эмульсионными трубками и главные топливные жиклеры 13 главных дозирующих систем.
Рис. 53. Детали корпуса карбюратора:
1 - диафрагма ускорительного насоса; 2 - рычаг привода ускорительного насоса; 3 - крышка; 4 - кулачок привода ускорительного насоса; 5 - крышка экономайзера мощностных режимов; 6 диафрагма экономайзера; 7 - топливный жиклер экономайзера; 8 - клапан экономайзера; 9 - обратный клапан ускорительного насоса; 10 - распылители ускорительного насоса с клапаном подачи топлива; 11 - распылители; 12 - главные воздушные жиклеры с эмульсионными трубками; 13 - главные топливные жиклеры; 14 - кронштейн крепления оболочки тяги привода воздушной заслонки; 15 - регулировочный винт второй камеры; 16 - стопор регулировочного винта: 17 - колпачок стопора; 18 - регулировочный винт приоткрывания дроссельной заслонки первой камеры; 19 - сектор управления дроссельными заслонками карбюратора; 20 - ось дроссельной заслонки первой камеры с рычагами привода; 21 - рычаг блокировки второй камеры; 22 - пружина рычага блокировки; 23 - ось дроссельной заслонки второй камеры с рычагом; 24 - дроссельная заслонка первой камеры; 25 - дроссельная заслонка второй камеры; 26 - заглушка регулировочного винта качества (состава) смеси; 27 - возвратная пружина рычага привода дроссельной заслонки второй камеры; 28 - регулировочный винт качества (состава) смеси холостого хода; 29 - корпус карбюратора; 30 - регулировочный винт количества смеси холостого хода; 31 - электрический провод конечного выключателя экономайзера принудительного холостого хода; 32 - блок подогрева карбюратора.
При необходимости вывернуть винты крепления дроссельной заслонки первой камеры, снять заслонку и вынуть ось 20 в сборе с рычагами привода. Сняв стопорную шайбу и вывернув винты крепления дроссельной заслонки второй камеры, снять заслонку и вынуть ось заслонки. Вынуть подшипники осей дроссельных заслонок первой и второй камер.
Очистка деталей карбюратора
Промыть топливный фильтр карбюратора в бензине и продуть сжатым воздухом. Проверить состояние фильтра. Если фильтр или патрубок подвода топлива повреждены, заменить новыми.
Промыть детали поплавкового механизма в бензине, проверить их состояние. На уплотняющей поверхности игольчатого клапана и его седла не допускается повреждений, нарушающих герметичность клапана. Клапан должен свободно перемещаться в своем гнезде, а шарик не должен зависать. Масса поплавка должна быть не более 6,23 г. Неисправные детали заменить новыми.
Очистить от грязи и масла крышку карбюратора и все отверстия и каналы в ней. Промыть крышку в ацетоне или бензине и продуть сжатым воздухом. Осмотреть уплотняющие поверхности крышки. Если имеются повреждения, заменить крышку новой.
Все детали пускового устройства очистить, промыть бензином и продуть сжатым воздухом. Осмотреть детали, поврежденные заменить.
Очистить жиклеры и эмульсионные трубки от грязи и смолистых соединений, промыть их ацетоном или бензином и продуть сжатым воздухом. Нельзя прочищать жиклеры металлическим инструментом или проволокой, а также протирать жиклеры и другие детали карбюратора ватой, тканью или ветошью, так как ворсинки могут засорить жиклеры и каналы. При сильном засорении можно очистить жиклеры иглой из мягкого дерева, смоченной ацетоном.
Очистить корпус карбюратора от грязи и масла. Промыть его каналы ацетоном или бензином и продуть сжатым воздухом.
Детали ускорительного насоса также промыть в бензине и продуть сжатым воздухом. Проверить легкость перемещения шарика в распылителе и подвижность элементов ускорительного насоса (рычага, деталей диафрагмы). Заедания не допускаются. Диафрагма должна быть без повреждений.
Сборка и установка карбюратора
Карбюратор собирают в обратной последовательности. При этом обращают внимание на подвижность поплавка на оси, легкость перемещения игольчатого клапана. Чтобы при сборке не перепутать местами жиклеры, необходимо смотреть на маркировку жиклеров и при их установке руководствоваться таблицей основных данных, приведенных ранее.
После завертывания винтов крепления дроссельных заслонок на осях зачеканить винты, не допуская деформации осей.
При сборке ускорительного насоса необходимо предварительно наживить винты крепления крышки, нажать на рычаг привода до упора, завернуть винты и отпустить рычаг.
Установку карбюратора выполнять в обратном порядке. Перед установкой проверить плоскостность и чистоту плоскостей соединения впускного трубопровода с карбюратором. Не допускать подтягивания гаек крепления нагретого карбюратора.
После установки карбюратора отрегулировать привод его управления, поставить на место воздушный фильтр и отрегулировать холостой ход двигателя.
