Почистващото средство се отстранява от двигателното отделение в следния ред. Отстранете четките с лостове, изключете кабелите от акумулатора и чистачката; развийте гайките на осите на лоста и скобата на електрическото задвижване и свалете електрическото задвижване заедно с лостовата система. На работната маса извадете електрическото задвижване от скобата и разкачете прътите.
Инсталирайте почистващия препарат в обратен ред.
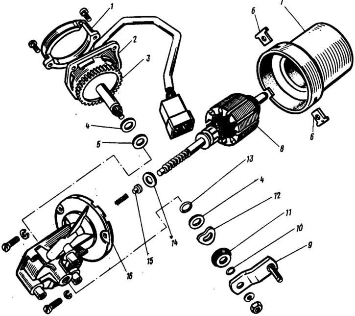
Ремонт на електрозадвижване на чистачки
За да разглобите електрическото задвижване, развийте винтовете, закрепващи капака 1 (фиг. 248) и го отстранете заедно с панел 2. След това развийте винтовете, закрепващи капака 16 към корпуса 7 на електродвигателя, и ги отделете. Отстранете котвата 8 от електрическия мотор. За да свалите зъбно колело 3 на скоростната кутия, развийте монтажната гайка на манивелата 9, свалете задържащия пръстен 10 от оста и извадете оста със зъбно колело 3 и шайби 4 и 5 от корпуса.
Фиг. 248. Електрически задвижващи части на чистачките на предното стъкло:
1 - капак; 2 - панел; 3 - зъбен редуктор; 4 - стоманена шайба; 5 - текстолитова шайба; 6 - крекер; 7 - тяло; 8 - котва; 9 - манивела 10 - задържащ пръстен; 11 - защитна капачка; 12 - пружинна шайба; 13 - уплътнителен пръстен; 14 - регулираща шайба; 15 - подложка за петата; 16 - Капак на електромотора.
След разглобяването продухайте вътрешните кухини на електродвигателя със сгъстен въздух, за да отстраните отлаганията от въглероден прах и проверете състоянието на четките и комутатора. Четките трябва да се движат свободно в четкодържателите, без да се задръстват, а пружините трябва надеждно да притискат четките към комутатора. Почистете държачите на четки с шкурка 10-M40, след това избършете с чиста кърпа, леко навлажнена с технически вазелин. Ако колекторът е силно изгорял или износен, сменете котвата с нова. Проверете за признаци на задръстване по шийките на анкерния вал. Ако е необходимо, шлайфайте ги със същата шкурка.
При сглобяване отдалечете четките от колектора, за да не ги счупите или повредите ръбовете им, и вкарайте котвата в корпуса с особено внимание, като избягвате удари с полюсите, за да не ги счупите.
След монтажа, за да центрирате лагерите, се препоръчва да почукате тялото на електродвигателя с дървен чук и след това да тествате електрическото задвижване на стойката.
Проверка на прекъсвача на релето на чистачките
Релето-прекъсвач трябва да осигурява включване на електрическото задвижване на уреда с честота 9-17 цикъла в минута в температурен диапазон от -20 до +50°C и напрежение 10 V. В началния момент на включване на уреда за прекъсната работа (докато биметалната пластина на прекъсвача все още не е загрята) четките могат да правят до четири непрекъснати двойни движения.
